Three phase asynchronous motor
Feature Description
Compared with traditional motor - oil pump devices in terms of structure, it has a novel structure and an aesthetic appearance. It eliminates the coupling, pump support, and common base, and the axial length is shortened by about one - quarter. Since the pump and the motor are directly connected, the operation is smoother, the noise is lower, the vibration is small, the starting torque is large, the installation is simple, the structure is compact, and the occupied space is small. Moreover, the oil pump can be replaced separately, which further improves the work efficiency.
Technical Parameters of Oil - Immersed Special - Purpose Oil - Pressure Motor
| 4 poles | 6 poles | Number of phases | Drawing number | A | AB | AC | B | BB | C | H | HC | K | KW | L |
Net weight (kg) |
| 1 | 三 | 140 | 191 | 165 | 100 | 127 | 43 | 90 | 170 | 10 | 25 | 190 | 15 | ||
| 2 | 1 | 三 | 140 | 191 | 165 | 100 | 127 | 43 | 90 | 170 | 10 | 25 | 190 | 18 | |
| 3 | 2 | 三 | 190 | 226 | 165 | 140 | 168 | 32.5 | 108 | 200 | 12 | 25 | 205 | 20 | |
| 5 | 3 | 三 | 190 | 226 | 165 | 140 | 168 | 32.5 | 108 | 200 | 12 | 25 | 205 | 22 | |
| 7.5 | 5 | 三 | 190 | 226 | 165 | 140 | 168 | 62.5 | 108 | 200 | 12 | 25 | 235 | 27 | |
| 10 | 7.5 | 三 | 二 | 190 | 226 | 165 | 140 | 168 | 62.5 | 108 | 200 | 12 | 25 | 235 | 33 |
| 15 | 10 | 三 | 二 | 195 | 245 | 285 | 190 | 245 | 62 | 160 | 300 | 12 | 25 | 330 | 62.5 |
| 20 | 15 | 三 | 二 | 195 | 245 | 285 | 190 | 245 | 62 | 160 | 300 | 12 | 25 | 330 | 67.5 |
Motor Characteristic Table
| Output | Full Load Speed | Landline Number | Insulation Class | Full Load Characteristics | Lifting Characteristics |
Maximum Torque Kg-cm |
|||||
| HP | KW | r/min | Kg-cm | % | cOSφ | A | Torque ratio | A | |||
| 1 | 0.75 | 1705 | 80 | F | 48.5 | 81.3 | 0.71 | 4.0 | 2.2 | 15.5 | 139 |
| 2 | 1.5 | 1731 | 90L | F | 86.5 | 83.0 | 0.79 | 7.0 | 2.2 | 31.5 | 245 |
| 3 | 2.2 | 1746 | 100L | F | 125 | 85.5 | 0.78 | 9.6 | 2.0 | 50.5 | 334 |
| 5 | 3.7 | 1742 | 112M | F | 208 | 85.5 | 0.81 | 15.0 | 1.8 | 82.0 | 540 |
| 71/2 | 5.5 | 1738 | 132S | F | 312 | 86.5 | 0.81 | 23.0 | 1.9 | 125 | 810 |
| 10 | 7.5 | 1720 | 132M | F | 415 | 87.0 | 0.80 | 31.0 | 2.0 | 178 | 1037 |
| 15 | 11 | 1723 | 160M | F | 625 | 86.0 | 0.82 | 40.0 | 1.6 | 278 | 1562 |
| 20 | 15 | 1725 | 160L | F | 823 | 88.5 | 0.80 | 58.0 | 1.7 | 351 | 1975 |
| 25 | 18.5 | 1730 | 180M | F | 1024 | 89.0 | 0.83 | 71.0 | 2.0 | 430 | 2369 |
| 30 | 22 | 1757 | 180M | F | 1224 | 89.0 | 0.85 | 83.0 | 1.7 | 539 | 2825 |
| 40 | 30 | 1760 | 180L | F | 1645 | 92.0 | 0.88 | 112 | 1.5 | 612 | 3779 |
Totally enclosed outer fan squirrel-cage type
Three-phase, 60 or 50Hz, 200/380V, horizontal and vertical oil-pressure standard type.
Dimensions are based on CNS3071 and C1036, and characteristics comply with IEC34-1/EN60034 and CNS2934.
Matching dimensions of oil-pressure special motors with various oil pumps
| 4 poles (hp) | 6 poles (hp) | Frame size | Number of phases | A | AA | AB | AC | AD | B | BB | C | H | HA | HD | K | L |
Net weight (Kg) |
| 1/2 | 1/4 | 80 | 三 | 125 | 35 | 155 | 177 | 140 | 100 | 130 | 51 | 85 | 8 | 170 | 10 | 240 | 13 |
| 1 | 1/2 | 80 | 三 | 125 | 35 | 155 | 177 | 140 | 100 | 130 | 55 | 85 | 10 | 170 | 10 | 250 | 15.5 |
| 2 | 1 | 90L | 三 | 140 | 35 | 170 | 196 | 160 | 125 | 150 | 55 | 90 | 10 | 190 | 12 | 278 | 23.5 |
| 3 | 2 | 100L | 三 | 160 | 45 | 200 | 225 | 160 | 140 | 175 | 64 | 100 | 12 | 247 | 12 | 307 | 31.5 |
| 5 | 3 | 112M | 三 | 190 | 45 | 228 | 245 | 180 | 140 | 175 | 71 | 112 | 12 | 265 | 12 | 330 | 38.5 |
| 7.5 | 5 | 132S | 三 | 216 | 45 | 250 | 270 | 190 | 140 | 175 | 77 | 132 | 16 | 310 | 12 | 335 | 60 |
| 10 | 7.5 | 132M | 三 | 218 | 45 | 250 | 270 | 190 | 178 | 212 | 75 | 132 | 16 | 310 | 12 | 370 | 70 |
| 15 | 10 | 160M | 三 | 254 | 50 | 300 | 344 | 256 | 210 | 250 | 87 | 160 | 16 | 380 | 15 | 485 | 115 |
| 20 | 15 | 160L | 三 | 254 | 50 | 300 | 344 | 256 | 254 | 300 | 87.5 | 160 | 18 | 380 | 15 | 526 | 140 |
Applicable model codes / All can be customized
| 4p(hp) | 6p(hp) | Frame number | Number of phases | AC | AD | L | LA | M | N | P | S | T |
Net weight (kg) |
| 1 | 1/2 | 80 | 三 | 177 | 136 | 240/248 | 10 | 165/180 | 130 | 205 | 12 | 1.5 | 16.5 |
| 2 | 1 | 90 | 三 | 195 | 148 | 258 | 10 | 200 | 130 | 230 | 12 | 7.5 | 24 |
| 3 | 2 | 112 | 三 | 230 | 166 | 285 | 11 | 255 | 180 | 255 | 12 | 7.5 | 32 |
| 5 | 3 | 112 | 三 | 230 | 166 | 318/285 | 10 | 215/225 | 180 | 250/255 | 12 | 10 | 37 |
| 7.5 | 5 | 132 | 三 | 267 | 195 | 345 | 13.5 | 265 | 230 | 300 | 15 | 5 | 61 |
| 10 | 7.5 | 132 | 三 | 267 | 195 | 380 | 13.5 | 265 | 230 | 300 | 15 | 5 | 71 |
Standard Special Oil Pressure Motor
|
4P (HP) |
6P (HP) |
Frame Number |
Phase Number | Drawing Number | A | AA | AB | AC | AD | B | BB | C | H | HA | HD | K | L | Shaft End |
Net Weight (KG) |
|||||
| D | E | ED | F | G | GA | |||||||||||||||||||
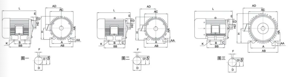
| 1/2 | 1/4 | 71 | 三 | Figure 1 | 112 | 35 | 140 | 162 | 135 | 90 | 115 | 45 | 71 | 8 | 170 | 7 | 257 | 14 | 30 | 14 | 3 | 11 | 16 | 13 |
| 1 | 1/2 | 80 | 三 | 125 | 35 | 155 | 177 | 137 | 100 | 130 | 50 | 80 | 8 | 170 | 10 | 272 | 19 | 40 | 25 | 5 | 16 | 22 | 15 | |
| 2 | 1 | 90L | 三 | 140 | 35 | 170 | 200 | 150 | 125 | 150 | 56 | 90 | 9 | 190 | 10 | 322 | 24 | 50 | 32 | 8 | 20 | 27 | 22 | |
| 3 | 2 | 100L | 三 | Figure 2 | 160 | 45 | 195 | 219 | 173 | 140 | 175 | 63 | 100 | 10 | 247 | 12 | 363 | 28 | 60 | 40 | 8 | 24 | 31 | 32 |
| 5 | 3 | 112M | 三 | 190 | 45 | 224 | 238 | 182 | 140 | 175 | 70 | 112 | 13 | 265 | 12 | 382 | 28 | 60 | 40 | 8 | 24 | 31 | 38 | |
| 7.5 | 5 | 132S | 三 | 216 | 45 | 250 | 275 | 195 | 140 | 175 | 89 | 132 | 14 | 310 | 12 | 412 | 38 | 80 | 56 | 10 | 33 | 41 | 60 | |
|
10 |
7.5 | 132M | 三 | 216 | 45 | 250 | 275 | 195 | 178 | 212 | 89 | 132 | 16 | 310 | 12 | 456 | 38 | 80 | 56 | 10 | 33 | 41 | 69 | |
| 15 | 10 | 160M | 三 | 254 | 50 | 300 | 334 | 256 | 210 | 250 | 108 | 160 | 16 | 380 | 15 | 604 | 42 | 110 | 80 | 12 | 37 | 45 | 112 | |
| 20 | 15 | 160L | 三 | 254 | 50 | 300 | 334 | 256 | 254 | 300 | 108 | 160 | 18 | 380 | 15 | 648 | 42 | 110 | 80 | 12 | 37 | 45 | 105 | |
Applicable model codes / All can be customized
| 4p(hp) | 6p(hp) | Frame number | Number of phases | AC | AD | L | LA | M | N | P | S | T |
Net weight (kg) |
| 1/2 | 1/4 | 71 | 三 | 162 | 230 | 245 | 12 | 130 | 110 | 160 | 10 | 一 | 12.5 |
| 1 | 1/2 | 80 | 三 | 177 | 135 | 282 | 12 | 165 | 130 | 200 | 12 | 4 | 17 |
| 15 | 10 | 180 | 三 | 334 | 256 | 495 | 12 | 300 | 250 | 350 | 19 | 6 | 106 |
| 20 | 15 | 180 | 三 | 334 | 256 | 540 | 12 | 300 | 250 | 350 | 19 | 6 | 130 |
HPP,YYB installation diagram
YVF2 Series Motor Product Coding Rules
The model of the motor products adopts a set of coding systems to facilitate your identification of all series of products.




Su ICP 2025168860-1