三相异步电动机
当前位置:首页>产品展示
HPP、YYB液压油泵专用 三相异步电动机
特点说明
在结构上与传统的电机油泵装置相比,具有结构新颖、造型美观并省去了联轴节、泵支座、公共底板,轴向长度缩短了约四分之一。由于泵和电机采用直接连接,从而使运转更平稳、噪声更低、震动小、起动转矩大、安装简单、结构紧凑、占用空间小,而且油泵可以单独更换,更提高了工作效率。
浸油式油压专用电机技术参数
| 4p | 6p | 相数 | 图号 | A | AB | AC | B | BB | C | H | HC | K | KW | L |
净重 (kg) |
| 1 | 三 | 140 | 191 | 165 | 100 | 127 | 43 | 90 | 170 | 10 | 25 | 190 | 15 | ||
| 2 | 1 | 三 | 140 | 191 | 165 | 100 | 127 | 43 | 90 | 170 | 10 | 25 | 190 | 18 | |
| 3 | 2 | 三 | 190 | 226 | 165 | 140 | 168 | 32.5 | 108 | 200 | 12 | 25 | 205 | 20 | |
| 5 | 3 | 三 | 190 | 226 | 165 | 140 | 168 | 32.5 | 108 | 200 | 12 | 25 | 205 | 22 | |
| 7.5 | 5 | 三 | 190 | 226 | 165 | 140 | 168 | 62.5 | 108 | 200 | 12 | 25 | 235 | 27 | |
| 10 | 7.5 | 三 | 二 | 190 | 226 | 165 | 140 | 168 | 62.5 | 108 | 200 | 12 | 25 | 235 | 33 |
| 15 | 10 | 三 | 二 | 195 | 245 | 285 | 190 | 245 | 62 | 160 | 300 | 12 | 25 | 330 | 62.5 |
| 20 | 15 | 三 | 二 | 195 | 245 | 285 | 190 | 245 | 62 | 160 | 300 | 12 | 25 | 330 | 67.5 |
电机特性表
| 输出 | 满载转速 | 座机号 | 绝缘等级 | 满载特性 | 起重特性 |
最大转矩 Kg-cm |
|||||
| HP | KW | r/min |
转矩 Kg-cm |
效率% |
功效因数 cOSφ |
电流A | 转矩比 | 电流A | |||
| 1 | 0.75 | 1705 | 80 | F | 48.5 | 81.3 | 0.71 | 4.0 | 2.2 | 15.5 | 139 |
| 2 | 1.5 | 1731 | 90L | F | 86.5 | 83.0 | 0.79 | 7.0 | 2.2 | 31.5 | 245 |
| 3 | 2.2 | 1746 | 100L | F | 125 | 85.5 | 0.78 | 9.6 | 2.0 | 50.5 | 334 |
| 5 | 3.7 | 1742 | 112M | F | 208 | 85.5 | 0.81 | 15.0 | 1.8 | 82.0 | 540 |
| 71/2 | 5.5 | 1738 | 132S | F | 312 | 86.5 | 0.81 | 23.0 | 1.9 | 125 | 810 |
| 10 | 7.5 | 1720 | 132M | F | 415 | 87.0 | 0.80 | 31.0 | 2.0 | 178 | 1037 |
| 15 | 11 | 1723 | 160M | F | 625 | 86.0 | 0.82 | 40.0 | 1.6 | 278 | 1562 |
| 20 | 15 | 1725 | 160L | F | 823 | 88.5 | 0.80 | 58.0 | 1.7 | 351 | 1975 |
| 25 | 18.5 | 1730 | 180M | F | 1024 | 89.0 | 0.83 | 71.0 | 2.0 | 430 | 2369 |
| 30 | 22 | 1757 | 180M | F | 1224 | 89.0 | 0.85 | 83.0 | 1.7 | 539 | 2825 |
| 40 | 30 | 1760 | 180L | F | 1645 | 92.0 | 0.88 | 112 | 1.5 | 612 | 3779 |
全封闭外扇鼠笼型
三相60或50Hz,200/380,卧立式油压标准型。
尺寸依据CNS3071,C1036,特性符合IEC34-1/EN60034,CNS2934。
油压专用电机与各类油泵配合尺寸
| 4p(hp) | 6p(hp) | 机座号 | 相数 | A | AA | AB | AC | AD | B | BB | C | H | HA | HD | K | L |
净重 (Kg) |
| 1/2 | 1/4 | 80 | 三 | 125 | 35 | 155 | 177 | 140 | 100 | 130 | 51 | 85 | 8 | 170 | 10 | 240 | 13 |
| 1 | 1/2 | 80 | 三 | 125 | 35 | 155 | 177 | 140 | 100 | 130 | 55 | 85 | 10 | 170 | 10 | 250 | 15.5 |
| 2 | 1 | 90L | 三 | 140 | 35 | 170 | 196 | 160 | 125 | 150 | 55 | 90 | 10 | 190 | 12 | 278 | 23.5 |
| 3 | 2 | 100L | 三 | 160 | 45 | 200 | 225 | 160 | 140 | 175 | 64 | 100 | 12 | 247 | 12 | 307 | 31.5 |
| 5 | 3 | 112M | 三 | 190 | 45 | 228 | 245 | 180 | 140 | 175 | 71 | 112 | 12 | 265 | 12 | 330 | 38.5 |
| 7.5 | 5 | 132S | 三 | 216 | 45 | 250 | 270 | 190 | 140 | 175 | 77 | 132 | 16 | 310 | 12 | 335 | 60 |
| 10 | 7.5 | 132M | 三 | 218 | 45 | 250 | 270 | 190 | 178 | 212 | 75 | 132 | 16 | 310 | 12 | 370 | 70 |
| 15 | 10 | 160M | 三 | 254 | 50 | 300 | 344 | 256 | 210 | 250 | 87 | 160 | 16 | 380 | 15 | 485 | 115 |
| 20 | 15 | 160L | 三 | 254 | 50 | 300 | 344 | 256 | 254 | 300 | 87.5 | 160 | 18 | 380 | 15 | 526 | 140 |
适用型式代号/均可定做
| 4p(hp) | 6p(hp) | 机座号 | 相数 | AC | AD | L | LA | M | N | P | S | T |
净重 (kg) |
| 1 | 1/2 | 80 | 三 | 177 | 136 | 240/248 | 10 | 165/180 | 130 | 205 | 12 | 1.5 | 16.5 |
| 2 | 1 | 90 | 三 | 195 | 148 | 258 | 10 | 200 | 130 | 230 | 12 | 7.5 | 24 |
| 3 | 2 | 112 | 三 | 230 | 166 | 285 | 11 | 255 | 180 | 255 | 12 | 7.5 | 32 |
| 5 | 3 | 112 | 三 | 230 | 166 | 318/285 | 10 | 215/225 | 180 | 250/255 | 12 | 10 | 37 |
| 7.5 | 5 | 132 | 三 | 267 | 195 | 345 | 13.5 | 265 | 230 | 300 | 15 | 5 | 61 |
| 10 | 7.5 | 132 | 三 | 267 | 195 | 380 | 13.5 | 265 | 230 | 300 | 15 | 5 | 71 |
标准式专用油压电机
|
4P (HP) |
6P (HP) |
机座 号 |
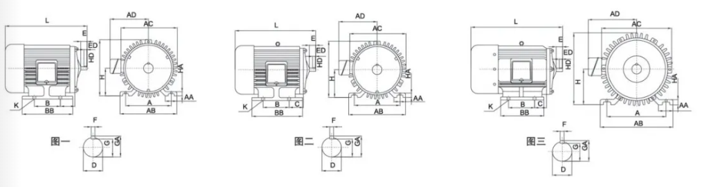
相数 | 图号 | A | AA | AB | AC | AD | B | BB | C | H | HA | HD | K | L | 轴端 |
净重 (KG) |
|||||
| D | E | ED | F | G | GA | |||||||||||||||||||
| 1/2 | 1/4 | 71 | 三 | 图一 | 112 | 35 | 140 | 162 | 135 | 90 | 115 | 45 | 71 | 8 | 170 | 7 | 257 | 14 | 30 | 14 | 3 | 11 | 16 | 13 |
| 1 | 1/2 | 80 | 三 | 125 | 35 | 155 | 177 | 137 | 100 | 130 | 50 | 80 | 8 | 170 | 10 | 272 | 19 | 40 | 25 | 5 | 16 | 22 | 15 | |
| 2 | 1 | 90L | 三 | 140 | 35 | 170 | 200 | 150 | 125 | 150 | 56 | 90 | 9 | 190 | 10 | 322 | 24 | 50 | 32 | 8 | 20 | 27 | 22 | |
| 3 | 2 | 100L | 三 | 图二 | 160 | 45 | 195 | 219 | 173 | 140 | 175 | 63 | 100 | 10 | 247 | 12 | 363 | 28 | 60 | 40 | 8 | 24 | 31 | 32 |
| 5 | 3 | 112M | 三 | 190 | 45 | 224 | 238 | 182 | 140 | 175 | 70 | 112 | 13 | 265 | 12 | 382 | 28 | 60 | 40 | 8 | 24 | 31 | 38 | |
| 7.5 | 5 | 132S | 三 | 216 | 45 | 250 | 275 | 195 | 140 | 175 | 89 | 132 | 14 | 310 | 12 | 412 | 38 | 80 | 56 | 10 | 33 | 41 | 60 | |
|
10 |
7.5 | 132M | 三 | 216 | 45 | 250 | 275 | 195 | 178 | 212 | 89 | 132 | 16 | 310 | 12 | 456 | 38 | 80 | 56 | 10 | 33 | 41 | 69 | |
| 15 | 10 | 160M | 三 | 254 | 50 | 300 | 334 | 256 | 210 | 250 | 108 | 160 | 16 | 380 | 15 | 604 | 42 | 110 | 80 | 12 | 37 | 45 | 112 | |
| 20 | 15 | 160L | 三 | 254 | 50 | 300 | 334 | 256 | 254 | 300 | 108 | 160 | 18 | 380 | 15 | 648 | 42 | 110 | 80 | 12 | 37 | 45 | 105 | |
适用型式代号/均可定做
| 4p(hp) | 6p(hp) | 机座号 | 相数 | AC | AD | L | LA | M | N | P | S | T |
净重 (kg) |
| 1/2 | 1/4 | 71 | 三 | 162 | 230 | 245 | 12 | 130 | 110 | 160 | 10 | 一 | 12.5 |
| 1 | 1/2 | 80 | 三 | 177 | 135 | 282 | 12 | 165 | 130 | 200 | 12 | 4 | 17 |
| 15 | 10 | 180 | 三 | 334 | 256 | 495 | 12 | 300 | 250 | 350 | 19 | 6 | 106 |
| 20 | 15 | 180 | 三 | 334 | 256 | 540 | 12 | 300 | 250 | 350 | 19 | 6 | 130 |
HPP、YYB安装方式图
YVF2系列电机产品编码规则
电机产品的型号采用了一套编码体系,便于您识别所有系列产品。




苏ICP备2025168860号-1