三相异步电动机
当前位置:首页>产品展示
YBX3系列 隔爆型三相异步电动机
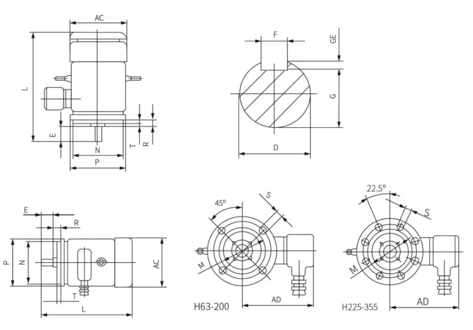
YBX3系列电机安装尺寸和外型尺寸表
|
型号 Type |
安装尺寸 Poies |
A | B | C | D | E | F | G | H | K |
进口管螺纹 Inlet pipe threading |
AB | AC | AD | HD | L |
| 63M | 2.4 | 100 | 80 | 40 | 11 | 23 | 4 | 8.5 | 63 | 7 | M24×1.5 | 125 | 125 | 175 | 230 | 245 |
| 71M | 2.4.6 | 112 | 90 | 45 | 14 | 30 | 5 | 11 | 71 | 140 | 150 | 250 | 275 | |||
| 80M |
2.4. 6.8. |
125 | 100 | 50 | 19 | 40 | 6 | 15.5 | 80 | 10 | M30×2 | 160 | 170 | 180 | 300 | 330 |
| 90S | 140 | 56 | 24 | 50 | 8 | 20 | 90 | 180 | 185 | 320 | 375 | |||||
| 90L | 125 | 400 | ||||||||||||||
| 100L | 160 | 140 | 63 | 28 | 60 | 24 | 100 | 12 | 200 | 210 | 355 | 448 | ||||
| 112M | 190 | 70 | 112 | 245 | 220 | 190 | 370 | 500 | ||||||||
| 132S | 216 | 89 | 38 | 80 | 10 | 33 | 132 | 280 | 270 | 420 | 520 | |||||
| 132M | 178 | 560 | ||||||||||||||
| 160M | 254 | 210 | 108 | 42 | 110 | 12 | 37 | 160 | 15 | M36×2 | 330 | 320 | 202 | 490 | 685 | |
| 160L | 254 | 715 | ||||||||||||||
| 180M | 279 | 241 | 121 | 48 | 14 | 42.5 | 180 | 355 | 360 | 530 | 770 | |||||
| 180L | 279 | 790 | ||||||||||||||
| 200L | 318 | 305 | 133 | 55 | 16 | 49 | 200 | 19 | M48×2 | 390 | 400 | 235 | 590 | 840 | ||
| 225S | 4.8 | 356 | 286 | 149 | 60 | 140 | 18 | 53 | 225 | 435 | 450 | 635 | 888 | |||
| 225M |
2.4. 6.8 |
311 | 55 | 110 | 16 | 49 | 888 | |||||||||
| 406 | 168 | 60 | 140 | 18 | 53 | 918 | ||||||||||
| 250M |
2.4. 6.8 |
457 | 349 | 190 | 250 | 24 | M64×2 | 490 | 500 | 270 | 720 | 960 | ||||
| 65 | 58 | |||||||||||||||
| 280S |
2.4. 6.8 |
368 | 280 | 545 | 550 | 780 | 1000 | |||||||||
| 75 | 20 | 67.5 | 1010 | |||||||||||||
| 280M |
2.4. 6.8 |
419 | 65 | 18 | 58 | 1065 | ||||||||||
| 75 | 20 | 67.5 | 1075 | |||||||||||||
| 315S |
2.4.6. 8.10 |
508 | 406 | 216 | 65 | 18 | 58 | 315 | 28 |
M64×2 双口 |
630 | 620 | 320 | 910 | 1185 | |
| 80 | 170 | 22 | 71 | 1280 | ||||||||||||
| 315M |
2.4.6. 8.10 |
457 | 65 | 140 | 18 | 58 | 1305 | |||||||||
| 80 | 170 | 22 | 71 | 1400 | ||||||||||||
| 315L |
2.4.6. 8.10 |
508 | 65 | 140 | 18 | 58 | 1305 | |||||||||
| 80 | 170 | 22 | 71 | 1400 | ||||||||||||
| 355S |
2.4.6. 8.10 |
610 | 500 | 254 | 75 | 140 | 20 | 67.5 | 355 | 750 | 740 | 320 | 1050 | 1415 | ||
| 95 | 170 | 25 | 86 | 1485 | ||||||||||||
| 355M |
2.4.6. 8.10 |
560 | 75 | 140 | 20 | 67.5 | 1495 | |||||||||
| 95 | 170 | 25 | 86 | 1565 | ||||||||||||
| 355L |
2.4.6. 8.10 |
630 | 75 | 140 | 20 | 67.5 | 1645 | |||||||||
| 95 | 170 | 25 | 86 | 1675 |
|
型号 Type |
安装尺寸 Poies |
A | B | C | D | E | F | G | H | K | M | N |
P最大 Pmax |
S | T |
孔 Holes |
进口管螺纹 Inlet pipe threading |
AB | AC | AD | HD | L |
| 80M | 2.4 | 125 | 100 | 50 | 19 | 40 | 6 | 15.5 | 80 | 10 | 165 | 130 | 200 | 12 | 4 | 4 | M30×2 | 160 | 170 | 180 | 300 | 330 |
| 90S |
2.4.6 2.4.6.8 |
140 | 56 | 24 | 50 | 8 | 20 | 90 | 180 | 185 | 320 | 375 | ||||||||||
| 90L | 125 | 400 | ||||||||||||||||||||
| 100L | 160 | 140 | 63 | 28 | 60 | 24 | 100 | 12 | 215 | 180 | 250 | 15 | 4 | 200 | 210 | 190 | 355 | 448 | ||||
| 112M | 190 | 70 | 112 | 245 | 220 | 370 | 500 | |||||||||||||||
| 132S | 216 | 89 | 38 | 80 | 10 | 33 | 132 | 265 | 230 | 300 | 19 | 5 | M36×2 | 280 | 270 | 420 | 520 | |||||
| 132M | 178 | 202 | 560 | |||||||||||||||||||
| 160M | 254 | 210 | 108 | 42 | 110 | 12 | 37 | 160 | 15 | 300 | 250 | 350 | 330 | 320 | 490 | 685 | ||||||
| 160L | 254 | 715 | ||||||||||||||||||||
| 180M | 279 | 241 | 121 | 48 | 14 | 43 | 180 | 355 | 360 | 530 | 770 | |||||||||||
| 180L | 279 | 790 | ||||||||||||||||||||
| 200L | 318 | 305 | 133 | 55 | 140 | 16 | 49 | 200 | 19 | 350 | 300 | 400 | M48×2 | 390 | 400 | 235 | 590 | 840 | ||||
| 225S | 4.8 | 356 | 286 | 149 | 60 | 110 | 18 | 53 | 225 | 400 | 350 | 450 | 8 | 435 | 450 | 635 | 688 | |||||
| 225M | 2 | 311 | 55 | 140 | 16 | 49 | 888 | |||||||||||||||
| 4.6.8 | 60 | 18 | 53 | 918 | ||||||||||||||||||
| 250M | 2 | 406 | 349 | 168 | 250 | 24 | 500 | 450 | 550 | M64×2 | 490 | 500 | 270 | 730 | 960 | |||||||
| 4.6.8 | 65 | 58 | ||||||||||||||||||||
| 280S | 2 | 457 | 368 | 190 | 280 | 545 | 550 | 780 | 1000 | |||||||||||||
| 4.6.8 | 75 | 20 | 67.5 | |||||||||||||||||||
| 280M | 2 | 419 | 65 | 18 | 58 | 1065 | ||||||||||||||||
| 4.6.8 | 75 | 20 | 67.5 | |||||||||||||||||||
| 315S | 2 | 508 | 406 | 216 | 65 | 18 | 58 | 315 | 28 | 600 | 550 | 660 | 24 | 6 |
M64×2 双口 |
630 | 630 | 320 | 1020 | 1185 | ||
| 4.6.8.10 | 80 | 170 | 22 | 71 | ||||||||||||||||||
| 315M | 2 | 457 | 65 | 140 | 18 | 58 | 1305 | |||||||||||||||
| 4.6.8.10 | 80 | 170 | 22 | 71 | ||||||||||||||||||
| 315L | 2 | 508 | 65 | 140 | 18 | 58 | 1305 | |||||||||||||||
| 4.6.8.10 | 80 | 170 | 22 | 71 | ||||||||||||||||||
| 355S | 2 | 610 | 500 | 254 | 75 | 140 | 20 | 67.5 | 355 | 740 | 680 | 800 | 750 | 700 | 320 | 1050 | 1415 | |||||
| 4.6.8.10 | 95 | 170 | 25 | 86 | ||||||||||||||||||
| 355M | 2 | 560 | 75 | 140 | 20 | 67.5 | 1495 | |||||||||||||||
| 4.6.8.10 | 95 | 170 | 25 | 86 | ||||||||||||||||||
| 355L | 2 | 630 | 75 | 140 | 20 | 67.5 | 1645 | |||||||||||||||
| 4.6.8.10 | 95 | 170 | 25 | 86 |
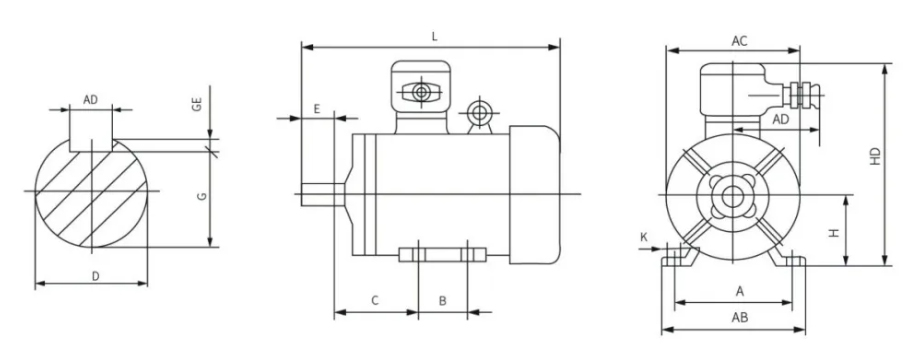
YBX3系列电机安装尺寸和外型尺寸表
|
型号 Type |
安装尺寸 Poies |
D | E | F | G | M | N |
P最大 Pmax |
S | T |
孔 Holes |
进口管螺纹 Inlet pipe threading |
AC | AD | L | L1 |
| 63M | 2.4 | 11 | 23 | 4 | 8.5 | 115 | 95 | 140 | 10 | 3 | 4 | M 24×1.5 | 125 | 180 | 245 | 285 |
| 71M | 2.4.6 | 14 | 30 | 5 | 11 | 130 | 110 | 160 | 145 | 275 | 315 | |||||
| 80M | 2.4.6.8. | 19 | 40 | 6 | 15.5 | 165 | 130 | 200 | 12 | 3.5 | M 30×2 | 170 | 215 | 330 | 375 | |
| 90S | 24 | 50 | 8 | 20 | 185 | 225 | 375 | 420 | ||||||||
| 90L | 400 | 445 | ||||||||||||||
| 100L | 28 | 60 | 24 | 215 | 180 | 250 | 15 | 4 | 210 | 240 | 448 | 498 | ||||
| 112M | 220 | 260 | 500 | 560 | ||||||||||||
| 132S | 38 | 80 | 10 | 33 | 265 | 230 | 300 | 270 | 290 | 520 | 580 | |||||
| 132M | 560 | 720 | ||||||||||||||
| 160M | 42 | 110 | 12 | 37 | 300 | 250 | 350 | 19 | 5 | M 36×2 | 320 | 330 | 685 | 745 | ||
| 160L | 715 | 775 | ||||||||||||||
| 180M | 48 | 14 | 42.5 | 360 | 350 | 770 | 840 | |||||||||
| 180L | 790 | 860 | ||||||||||||||
| 200L | 55 | 16 | 49 | 350 | 300 | 400 | M 48×2 | 400 | 390 | 840 | 910 | |||||
| 225S | 4.8. | 60 | 140 | 18 | 53 | 400 | 350 | 450 | 8 | 450 | 400 | 888 | 958 | |||
| 225M | 2 | 55 | 110 | 16 | 49 | 888 | 958 | |||||||||
| 4.6.8 | 60 | 140 | 18 | 53 | 918 | 988 | ||||||||||
| 250M | 2 | 500 | 450 | 550 | M64×2 | 500 | 465 | 960 | 1050 | |||||||
| 4.6.8 | 65 | 58 | ||||||||||||||
| 280S | 2 | 550 | 495 | 1000 | 1090 | |||||||||||
| 4.6.8 | 75 | 20 | 67.5 | 1010 | 1100 | |||||||||||
| 280M | 2 | 65 | 18 | 58 | 1065 | 1155 | ||||||||||
| 4.6.8 | 75 | 20 | 67.5 | 1075 | 1165 | |||||||||||
| 315S | 2 | 65 | 18 | 58 | 600 | 550 | 660 | 24 | 6 |
M64×2 双口 |
630 | 600 | 1 | 1285 | ||
| 4.6.8.10 | 80 | 170 | 22 | 71 | 1380 | |||||||||||
| 315M | 2 | 65 | 140 | 18 | 58 | 1405 | ||||||||||
| 4.6.8.10 | 80 | 170 | 22 | 71 | 1500 | |||||||||||
| 315L | 2 | 65 | 140 | 18 | 58 | 1405 | ||||||||||
| 4.6.8.10 | 80 | 170 | 22 | 71 | 1500 | |||||||||||
| 355S | 2 | 75 | 140 | 20 | 67.5 | 740 | 680 | 800 | 700 | 690 | 1515 | |||||
| 4.6.8.10 | 95 | 170 | 25 | 86 | 1585 | |||||||||||
| 355M | 2 | 75 | 140 | 20 | 67.5 | 1595 | ||||||||||
| 4.6.8.10 | 95 | 170 | 25 | 86 | 1665 | |||||||||||
| 355L | 2 | 75 | 140 | 20 | 67.5 | 1745 | ||||||||||
| 4.6.8.10 | 95 | 170 | 25 | 86 | 1775 |
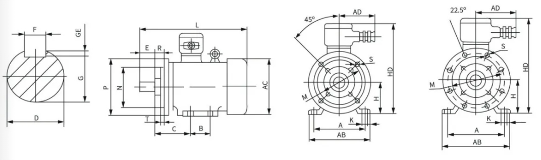
YBX3系列电机安装方式图
YE2系列电机产品编码规则
电机产品的型号采用了一套编码体系,便于您识别所有系列产品。
-
电机型号释义:
国标,欧标等级说明:参见第68、69页的表格
电机轴承号型号表:参见第70页的表格
CNS标准三相电机检验标准:参见第72页的表格
电机满载电流表:参见73页的表格 -
安装方式:
- IMB3
- IMB5
- IMB6
- IMB7
- IMB8
- IMB14
- IMB34
- IMB35
- IMV1
- IMV3
- IMV5
- IMV6
- IMV15
- IMV17
- IMV18
- IMV19
- IMV35
- IMV37
安装方式:国际电工委员会 IEC 60034-7 标准规定
参见第71页的表格 -
使用条件:
使用条件 / Operating Conditions
环境温度:-15℃~40℃
海拔:不超过1000米
额定电压:380V、400V、415V
额定频率:50Hz、60Hz
接法:额定功率3kW及以下电机为Y接法
额定功率4kW及以上电机为△接法
工作制:连续工作制(S1)
防护等级:IP54 / IP55
绝缘等级:B级 / F级
冷却方式:IC411 -
产品部件组成:

注意:不同产品的部件会有区别,请根据实际情况




苏ICP备2025168860号-1