三相永磁同步电动机
特点说明
YCT系列电磁调速电机是一种可靠的调速装置。能在规定的范围内均匀、连续地无级调速并能输出额定转矩。速度变化低于3%,结构简单,使用方便,速度变化低于3%,结构简单,使用方便,启动转矩大、启动平滑、调速范围广等特点。
YCT系列电磁调速电机技术参数
| 机座号 |
标称功率 千瓦(KW) |
额定转矩 牛顿/米N.m |
调速范围 转每分r/min |
转速变化率 不大于% |
|
| YCT90 | -4A | 0.25 | 1.6 | 1200~120 | 2.5 |
| -4B | 0.37 | 2.3 | |||
| YCT112 | -4A | 0.55 | 3.6 | 1230~125 | |
| -4B | 0.75 | 4.9 | |||
| YCT132 | -4A | 1.1 | 7.1 | 1230-125 | |
| -4B | 1.5 | 9.7 | |||
| YCT160 | -4A | 2.2 | 14.1 | 1250-125 | |
| -4B | 3.0 | 19.2 | |||
| YCT180 | -4A | 4.0 | 25.2 | 1250~125 | |
| YCT200 | -4A | 5.5 | 36.1 | 1250~125 | |
| -4B | 7.5 | 47.7 | |||
| YCT225 | -4A | 11 | 69 | 1250~125 | |
| -4B | 15 | 94 | |||
| YCT250 | -4A | 18.5 | 110 | 1320~132 | |
| -4B | 22 | 137 | |||
| YCT280 | -4A | 30 | 189 | 1320-132 | |
| YCT315 | -4A | 37 | 232 | 1320~132 | |
| -4B | 45 | 282 | |||
| YCT355 | -4A | 55 | 344 | 1340~440 | |
| -4B | 75 | 469 | |||
| -4C | 90 | 564 | 1340~600 | ||
| YCTD355 | -4A | 110 | 690 | 1350~650 | |
| -4B | 132 | 827 | 1350~650 | ||
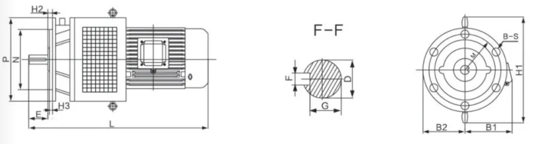
YCT系列卧式安装尺寸
|
型号 Type |
极数 Poles |
安装尺寸Mounting Arrangement | ||||||||||
| A | A/2 | WB | WC | D | E | F | ||||||
| YCT90 | -4 | 160 | 80 | 178 | 40 | ±1.5 | 18 |
+0.009 -0.004 |
40 | ±0.31 | 6 | 0-0.036 |
| YCT112 |
-4A -4B |
190 | 95 | 210 | 40 | ±1.5 | 19 | 40 | 6 | 0-0.03 | ||
| YCT132 |
-4A -4B |
216 | 108 | 241 | 40 | ±1.5 | 24 | 50 | 8 | 0-0.036 | ||
| YCT160 |
-4A -4B |
254 | 127 | 267 | 45 | ±1.5 | 28 | 60 | ±0.37 | 8 | 0-0.036 | |
| YCT180 |
-4A -4B |
279 | 139.5 | 305 | 45 | ±1.5 | 28 | 60 | 8 | 0-0.036 | ||
| YCT200 |
-4A -4B |
318 | 159 | 356 | 50 | ±1.5 | 38 |
+0.018 +0.002 |
80 | 10 | 0-0.036 | |
| YCT225 |
-4A -4B |
356 | 178 | 406 | 56 | ±1.5 | 42 | 110 | ±0.43 | 12 | 0-0.043 | |
| YCT250 |
-4A -4B |
406 | 203 | 457 | 63 | ±2.0 | 48 | 110 | 14 | 0-0.043 | ||
| YCT280 |
-4A -4B |
457 | 228.5 | 508 | 70 | ±2.0 | 55 |
+0.030 +0.011 |
110 | 16 | 0-0.043 | |
| YCT315 |
-4A -4B |
508 | 254 | 560 | 89 | ±2.0 | 60 | 140 | ±0.50 | 18 | 0-0.043 | |
| YCT355 |
-4A -4B -4C |
610 | 305 | 630 | 108 | ±3.0 | 65 | 140 | ±0.50 | 18 | 0-0.043 | |
| 75 | 20 | 0-0.052 | ||||||||||
| YCTD355 |
-4A -4B -4C |
610 | 305 | 630 | 108 | ±3.0 | 80 |
+0.030 +0.011 |
170 | ±0.50 | 22 | 0-0.052 |
YCTL系列立式安装尺寸

| 安装尺寸Mounting Arrangement | 外形尺寸Overall | |||||||||||
| G | H | K | AB | AD | HD | L | HA | AA | ||||
| 14.5 | 0-0.01 | 90 | 0-0.5 | 10 |
0 +0.43 |
01.0 M |
190 | 130 | 220 | 480 | 15 | 30 |
| 15.5 | 112 | 12 | 240 | 150 | 280 | 520 | 16 | 40 | ||||
| 20 | 0-0.2 | 132 | 12 | 285 | 165 | 330 | 575585 | 16 | 55 | |||
| 24 | 160 | 15 | 01.5 M | 330 | 185 | 385 | 665 | 20 | 65 | |||
| 24 | 180 | 15 | 01.5 M | 365 | 195 | 430 | 700 | 20 | 70 | |||
| 33 | 200 | 19 |
0 +0.52 |
01.5 M | 410 | 235 | 485 | 820860 | 20 | 80 | ||
| 37 |
225 250 |
19 | 01.5 M | 465 | 270 | 545 |
980 1025 |
30 | 94 | |||
| 42.5 | 24 |
02.0 M |
520 | 295 | 595 | 11301170 | 35 | 105 | ||||
| 49 | 280 | 00-10 | 24 | 575 | 320 | 665 | 1280 | 40 | 110 | |||
| 53 | 315 | 28 | 645 | 345 | 770 | 14001425 | 45 | 130 | ||||
|
58 67.5 71 |
355 | 28 | 755 |
390 420 |
890 |
1550 1630 1680 |
55 | 130 | ||||
| 355 | 28 | 755 | 576 | 890 |
1810 1880 |
55 | 130 | |||||
YCTL系列卧式安装型号表

YCTL系列卧式安装型号表

电机外壳防护等级说明
详细列数了各种不同的防护数值的固体电机,能防止直径或厚度各为多少的数值的导线或片条触及或接近壳内带电或转动部件或者其他功能。
关于防护等级P后接数字的释义
|
第一位数字 表示外壳对人和壳内部件提供的防护等级 |
第二位数字 表示由于外壳进水而引起有害影响的防护等级 |
||||
| 数字 | 简述 | 含义 | 数字 | 简述 | 含义 |
| 0 | 无防护电机 | 无专门防护 | 0 | 无防护电机 | 无专门防护 |
| 1 |
防护大于50mm 固体的电机 |
能防止大面积的人体(如手)偶然或意外的触及, 接近壳内带电或转动部件(但不能防止故意接触) |
1 | 防滴电机 | 垂直滴水应无有害影响 |
| 2 |
防护大于12mm 固体的电机 |
能防止手指或长度不超过80mm的类似物体 触及或接近壳内带电或转动部件 |
2 | 15°防滴电机 |
当电机从垂直位置向任何方向倾斜至15°以内任 意角度时,垂直滴水应无有害影响 |
| 3 |
防护大于2.5mm 固体的电机 |
能防止直径大于2.5m的工具或导线触及或 接近壳内带电或转动部件 |
3 | 防淋水电机 | 与铅垂线成60°角范围内的淋水应无有害影响 |
| 4 |
防护大于1mm固 体的电机 |
能防止直径或厚度大于1mm的导线或片条 触及或接近壳内带电或转动部件 |
4 | 防溅水电机 | 承受任何方向的溅水应无有害影响 |
| 5 | 防尘电机 |
能防止触及或接近壳内带电或转动部件 虽不能完全防止灰尘进入, 但进尘量不足以影响电机的正常运行 |
5 | 防喷水电机 | 承受任何方向的喷水应无有害影响 |
| 6 | 尘密电机 | 完全防止尘埃进入 | 6 | 防海浪电机 |
承受猛烈的海浪冲击或强烈喷水时, 电机的进水量应不达到有害的程度 |
| 7 | 防浸水电机 |
当电机浸入规定压力的水中,经规定时间后, 电机的进水量应不达到有害的程度。 |
|||
| 8 | 持续潜水电机 | 电机在制造厂规定的条件下能长期潜水 | |||
参考:GBT4942.1-2006《旋转电机整体结构的防护等级(1P代码)分级》
国家标准GB18613-2012规定的
中小型三相异步电动机能效限定值及能效等级
|
额定功率 (kw) |
效 率 ( η % ) | ||||||||
| 1级 | 2级 | 3级 | |||||||
| 2极 | 4极 | 6极 | 2极 | 4极 | 6极 | 2极 | 4极 | 6极 | |
| 0.75 | 84.9 | 85.6 | 83.1 | 80.7 | 82.5 | 78.9 | 77.4 | 79.6 | 75.9 |
| 1.1 | 86.7 | 87.4 | 84.1 | 82.7 | 84.1 | 81.0 | 79.6 | 81.4 | 78.1 |
| 1.5 | 87.5 | 88.1 | 86.2 | 84.2 | 85.3 | 82.5 | 81.3 | 82.8 | 79.8 |
| 2.2 | 89.1 | 89.7 | 87.1 | 85.9 | 86.7 | 84.3 | 83.2 | 84.3 | 81.8 |
| 3.0 | 89.7 | 90.3 | 88.7 | 87.1 | 87.7 | 85.6 | 84.6 | 85.5 | 83.3 |
| 4.0 | 90.3 | 90.9 | 89.7 | 88.1 | 88.6 | 86.8 | 85.8 | 86.6 | 84.6 |
| 5.5 | 91.5 | 92.1 | 89.5 | 89.2 | 89.6 | 88.0 | 87.0 | 87.7 | 86.0 |
| 7.5 | 92.1 | 92.6 | 90.2 | 90.1 | 90.4 | 89.1 | 88.1 | 88.7 | 87.2 |
| 11 | 93.0 | 93.6 | 91.5 | 91.2 | 91.4 | 90.3 | 89.4 | 89.8 | 88.7 |
| 15 | 93.4 | 94.0 | 92.5 | 91.9 | 92.1 | 91.2 | 90.3 | 90.6 | 89.7 |
| 18.5 | 93.8 | 94.3 | 93.1 | 92.4 | 92.6 | 91.7 | 90.9 | 91.2 | 90.4 |
| 22 | 94.4 | 94.7 | 93.9 | 92.7 | 93.0 | 92.2 | 91.3 | 91.6 | 90.9 |
| 30 | 94.5 | 95.0 | 94.3 | 93.3 | 93.6 | 92.9 | 92.0 | 92.3 | 91.7 |
| 37 | 94.8 | 95.3 | 94.6 | 93.7 | 93.9 | 93.3 | 92.5 | 92.7 | 92.2 |
| 45 | 95.1 | 95.6 | 94.9 | 94.0 | 94.2 | 93.7 | 92.9 | 93.1 | 92.7 |
| 55 | 95.4 | 95.8 | 95.2 | 94.3 | 94.6 | 94.1 | 93.2 | 93.5 | 93.1 |
| 75 | 95.6 | 96.0 | 95.4 | 94.7 | 95.0 | 94.6 | 93.8 | 94.0 | 93.7 |
| 90 | 95.8 | 96.2 | 95.6 | 95.0 | 95.2 | 94.9 | 94.1 | 94.2 | 94.0 |
| 110 | 96.0 | 96.4 | 95.6 | 95.2 | 95.4 | 95.1 | 94.3 | 94.5 | 94.3 |
| 132 | 96.0 | 96.5 | 95.8 | 95.4 | 95.6 | 95.4 | 94.6 | 94.7 | 94.6 |
| 160 | 96.2 | 96.5 | 96.0 | 95.6 | 95.8 | 95.6 | 94.8 | 94.9 | 94.8 |
| 200 | 96.3 | 96.6 | 96.1 | 95.8 | 96.0 | 95.8 | 95.0 | 95.1 | 95.0 |
| 250 | 96.4 | 96.7 | 96.1 | 95.8 | 96.0 | 95.8 | 95.0 | 95.1 | 95.0 |
| 315 | 96.5 | 96.8 | 96.1 | 95.8 | 96.0 | 95.8 | 95.0 | 95.1 | 95.0 |
| 355~375 | 96.6 | 96.8 | 96.1 | 95.8 | 96.0 | 95.8 | 95.0 | 95.1 | 95.0 |
国际电工委员会1EC60034-30规定的
标准效率电机、高效电机、超高效电机能效限定值
|
Rated Output (KW) |
Efficiency(η%) | ||||||||
| Standard Efficiency(IE1)50Hz | High Efficiency(IE2)50Hz | Premium Efficiency(IE3)50Hz | |||||||
| 2 Poles | 4 Poles | 6 Poles | 2 Poles | 4 Poles | 6 Poles | 2 Poles | 4 Poles | 6 Poles | |
| 0.75 | 72.1 | 72.1 | 70.0 | 77.4 | 79.6 | 75.9 | 80.7 | 82.5 | 78.9 |
| 1.1 | 75.0 | 75.0 | 72.9 | 79.6 | 81.4 | 78.1 | 82.7 | 84.1 | 81.0 |
| 1.5 | 77.2 | 77.2 | 75.2 | 81.3 | 82.8 | 79.8 | 84.2 | 85.3 | 82.5 |
| 2.2 | 79.7 | 79.7 | 77.7 | 83.2 | 84.3 | 81.8 | 85.9 | 86.7 | 84.3 |
| 3.0 | 81.5 | 81.5 | 79.7 | 84.6 | 85.5 | 83.3 | 87.1 | 87.7 | 85.6 |
| 4.0 | 83.1 | 83.1 | 81.4 | 85.8 | 86.6 | 84.6 | 88.1 | 88.6 | 86.8 |
| 5.5 | 84.7 | 84.7 | 83.1 | 87.0 | 87.7 | 86.0 | 89.2 | 89.6 | 88.0 |
| 7.5 | 86.0 | 86.0 | 84.7 | 88.1 | 88.7 | 87.2 | 90.1 | 90.4 | 89.1 |
| 11 | 87.6 | 87.6 | 86.4 | 89.4 | 89.8 | 88.7 | 91.2 | 91.4 | 90.3 |
| 15 | 88.7 | 88.7 | 87.7 | 90.3 | 90.6 | 89.7 | 91.9 | 92.1 | 91.2 |
| 18.5 | 89.3 | 89.3 | 88.6 | 90.9 | 91.2 | 90.4 | 92.4 | 92.6 | 91.7 |
| 22 | 89.9 | 89.9 | 89.2 | 91.3 | 91.6 | 90.9 | 92.7 | 93.0 | 92.2 |
| 30 | 90.7 | 90.7 | 90.2 | 92.0 | 92.3 | 91.7 | 93.3 | 93.6 | 92.9 |
| 37 | 91.2 | 91.2 | 90.8 | 92.5 | 92.7 | 92.2 | 93.7 | 93.9 | 93.3 |
| 45 | 91.7 | 91.7 | 91.4 | 92.9 | 93.1 | 92.7 | 94.0 | 94.2 | 93.7 |
| 55 | 92.1 | 92.1 | 91.9 | 93.2 | 93.5 | 93.1 | 94.3 | 94.6 | 94.1 |
| 75 | 92.7 | 92.7 | 92.6 | 93.8 | 94.0 | 93.7 | 94.7 | 95.0 | 94.6 |
| 90 | 93.0 | 93.0 | 92.9 | 94.1 | 94.2 | 94.0 | 95.0 | 95.2 | 94.9 |
| 110 | 93.3 | 93.3 | 93.3 | 94.3 | 94.5 | 94.3 | 95.2 | 95.4 | 95.1 |
| 132 | 93.5 | 93.5 | 93.5 | 94.6 | 94.7 | 94.6 | 95.4 | 95.6 | 95.4 |
| 160 | 93.8 | 93.8 | 93.8 | 94.8 | 94.9 | 94.8 | 95.6 | 95.8 | 95.6 |
| 200~375 | 94.0 | 94.0 | 94.0 | 95.0 | 95.1 | 95.0 | 95.8 | 96.0 | 95.8 |
电机轴承型号表
|
机座号 Frame Size |
极数 Poles |
YE2、YE3、Y2系列及其派生系列电机 YE2,YE3,Y2 series and derived series motor |
GS(YX3)系列 GS(YX3)series |
||
|
轴伸端轴承型号 Bearing on DE |
非轴伸端轴承型号 Bearing on NDE |
轴伸端轴承型号 Bearing on DE |
非轴伸端轴承型号 Bearing on NDE |
||
| 56 | 24 | 6201-2RZ | 6201-2RZ | 6201-2RZ | 6201-2RZ |
| 63 | 24 | 6201-2RZ | 6201-2RZ | 6201-2RZ | 6201-2RZ |
| 71 | 2,4,6 | 6202-2RZ | 6202-2RZ | 6202-2RZ | 6202-2RZ |
| 80 | 2,4,6,8 | 6204-2RZ | 6204-2RZ | 6204-2RZ | 6204-2RZ |
| 90 | 2,4,6,8 | 6205-2RZ | 6205-2RZ | 6205-2RZ | 6205-2RZ |
| 100 | 2,4,6,8 | 6206-2RZ | 6206-2RZ | 6206-2RZ | 6206-2RZ |
| 112 | 2,4,6,8 | 6306-2RZ | 6206-2RZ | 6206-2RZ | 6206-2RZ |
| 132 | 2,4,6,8 | 6308-2RZ | 6208-2RZ | 6208-2RZ | 6208-2RZ |
| 160 | 2 | 6309-2RZ | 6209-2RZ | 6209-2RZ | 6209-2RZ |
| 4,6,8 | 6309-2RZ | 6209-2RZ | 6309-2RZ | 6209-2RZ | |
| 180 | 2 | 6311 | 6211 | 6211 | 6211 |
| 4,6,8 | 6311 | 6211 | 6311 | 6211 | |
| 200 | 2 | 6312 | 6212 | 6212 | 6212 |
| 4,6,8 | 6312 | 6212 | 6312 | 6212 | |
| 225 | 2 | 6312 | 6312 | 6312 | 6312 |
| 4,6,8 | 6313 | 6312 | 6313 | 6312 | |
| 250 | 2 | 6313 | 6313 | 6313 | 6313 |
| 4,6,8 | 6314 | 6313 | 6314 | 6313 | |
| 280 | 2 | 6314 | 6314 | 6314 | 6314 |
| 4,6,8,10 | 6317 | 6314 | 6317 | 6314 | |
| 315 | 2 | 6317 | 6317 | 6317 | 6317 |
| 4,6,8,10 | NU319 | 6319 | NU319 | 6319 | |
| 355 | 2 | 6319 | 6319 | 6319 | 6319 |
| 4,6,8,10 | NU322 | 6322 | NU322 | 6326 | |
| 400 | 2 | 6326 | 6326 | 6326 | 6326 |
| 4,6,8,10 | NU326 | 6326 | NU326 | - | |
国际电工委员会IEC60034-7标准规定的电机安装方式




苏ICP备2025168860号-1